首先,让我们来了解电压互感器产生谐振的原因。在中性点不接地系统中,电压互感器的高压侧中性点虽然接地,但一旦发生单相接地,电压互感器的铁心线圈将与电容器并联,构成可能产生谐振的并联电路。此外,倒闸操作时,电压互感器的谐振也可能导致母线电压不平衡。
接下来,我们来看看电压互感器谐振的表现。谐振现象会导致电压互感器一次侧电流过大,甚至可能使高压侧熔断件熔断或烧坏电压互感器。在倒闸操作中,谐振还可能造成母线电压指示不正常或出现接地信号,但实际并未发生明显的接地现象。
那么,如何消除电压互感器谐振呢?以下是一些有效的措施和方法:
1. 选择质量好、技术性能优、铁心不易饱和的电压互感器; 2. 提高断路器的检修质量,确保合闸操作的同期性,减少操作过电压; 3. 必要时,改变操作顺序,以避免操作过程中产生谐振的条件; 4. 投入空载线路,以改变空载母线充电中产生的谐振条件; 5. 采用在电压互感器的开口三角侧接灯泡的传统消谐方法; 6. 在电压互感器二次侧的开口三角上加装可控硅多功能消谐装置; 7. 在电压互感器的一次侧中性点上串接LXQ型非线性电阻,以限制其产生谐振。
总之,电压互感器谐振是变电运行管理中一个不容忽视的问题。通过对谐振原因、表现和消除措施的了解,我们可以更好地应对这一挑战,确保变电所的安全稳定运行。在处理谐振问题时,应根据实际情况和系统运行方式,选择合适的措施,以达到预期的效果。1 前言
在实际的变电运行管理中,有时由于中性点不接地系统的线路发生单相接地或单相接地消失的瞬间,经常造成电压互感器一次侧熔断件熔断。或者是在进行正常的倒闸操作中,通过投入空载母线时,往往发现母线电压指示不正常或出现接地信号,但却没有发生明显的接地迹象,主要是由于电压互感器的铁磁谐振造成的。这种情况经常会使值班人员误判为电压互感器故障或是变电所内母线系统发生接地故障,影响了正常的运行管理。
2 电压互感器产生谐振的原因分析
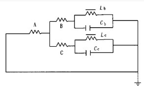
(1) 在中性点不接地系统中,虽然电源侧的中性点不直接接地,但电压互感器的高压侧中性点是接地的,若Ca,Cb,Cc为各回线路(包括电缆出线和架空线路)三相对地的等值电容,而La,Lb,Lc则为母线电压互感器的一次侧三个线圈的对地阻抗(忽略其线圈电阻),假设系统发生单相接地(如A相),其接线图如图1所示。
图1 接线图
此时,电压互感器的铁心线圈相当于与电容器并联,构成了可能产生谐振的并联电路,由于相对地电压升高倍,有可能使得电压互感器的铁心出现饱和或接近饱和,阻抗变小,电路中出现容抗和阻抗相等的情况,从而产生了并联谐振,此时互感器一次侧的电流最大,这样有可能使电压互感器的高压侧熔断件熔断,或者烧坏电压互感器。此种情况往往在变电所投产初期(线路出线回路少)不是很明显,但随着线路出线回路的增多(各回线路对地的等值电容量增大,容抗增大)出现谐振的情况较多。
(2) 倒闸操作时,由于电压互感器的谐振而造成母线电压不平衡。此种情况往往是在设备进行关合空载母线时发生,如图2所示。当系统,投入501断路器,由于10kV母线处于空载状态,其等值电路图可由图3表示。
图2 示意图
图3 等值电路图
图3中L是电压互感器一次线圈的电感,C是各相母线对地电容,由于电压互感器的中性点是接地的,且各相对地电容的一端也是接地的,在正常情况下,三相电容是对称的,但当用501断路器向10kV母线充电时,就存在着以下两种情况:
①由于合闸瞬间的三相触头不同期性,此时最慢接触的一相在触头间相当于串联上一个电容(如A相)。
当电容的容抗等于互感器的感抗时即产生谐振,但该状态下只是使中央信号装置的电铃响了一下,仪表摆动一下,但随着操作的完成该现象随之消失。
②由于合闸过程中产生操作过电压,此时假设断路器在合闸操作过程中A相出现过电压,则有可能使A相电压互感器铁心出现饱和,使A相电压互感器线圈感抗变小,从而三相的总阻抗出现不平衡,使电压互感器的中性点对地电压发生位移现象。
3 消除铁磁谐振的措施和方法
(1) 采用质量好,技术性能优,铁心不易饱和的电压互感器。
(2) 提高断路器的检修质量,确保合闸操作的同期性,减少操作过电压。
(3) 必要时可采用改变操作顺序,以避免操作过程中产生谐振的条件。
(4) 对在空载母线的充电中产生的谐振,可以采用投入空载线路的方法,以改变其谐振的条件。
(5) 传统采用消谐的措施是在电压互感器的开口三角侧接上一个灯泡,该方法属于较为原始的方法,随着系统容量的增大和电缆线路的增加,实践运行表明该方法的消谐效果不是很明显。
(6) 另一种方法是采用在电压互感器二次侧的开口三角上加装一种可控硅多功能消谐装置的方法,但该方法需要采用外加交流电源,有时由于装置的电子器件发生短路也会影响消谐效果。
(7) 目前使用的另外一种消谐装置是在电压互感器的一次侧中性点上串接LXQ型非线性电阻,以限制其产生谐振的方法,由于该方法具有安装简便、结构简单、消谐效果明显的特点,目前得到广泛的应用,具有较高的推广使用价值。
4 结束语
中性点不接地系统发生谐振的直接因素是系统过电压,其根本原因是电压互感器出现饱和,造成互感器的感抗改变,至于采用何种消谐方法,应该根据实际情况,结合系统的运行方式,分别采取措施,以达到预期的目的。








返回顶部